TCVN 8637: 2011 - Phần 3
PHỤ LỤC B
(Tham khảo)
SƠ ĐỒ BỐ TRÍ LẮP ĐẶT MỘT SỐ BỘ PHẬN MÁY BƠM VÀ KIỂM TRA CHẤT LƯỢNG LẮP ĐẶT
B.1 Quy cách bu lông móng và lỗ bu lông bệ máy
B.1.1 Khi không có quy định cụ thể trong thiết kế thì có thể lựa chọn kích thước bu lông móng và lỗ bu lông bệ máy theo bảng B.1
Bảng B.1 - Quy cách bu lông móng và lỗ bu lông bệ máy
| Đường kính lỗ mm | Từ 12 đến 13 | Từ 13 đến 17 | Từ 17 đến 22 | Từ 22 đến 27 | Từ 27 đến 33 | Từ 33 đến 40 | Từ 40 đến 48 | Từ 48 đến 55 | Từ 55 đến 65 |
| Đường kính danh nghĩa của bu lông mm | 10 | 12 | 16 | 20 | 24 | 30 | 36 | 42 | 48 |
B.1.2 Khi xiết chặt ê cu ở bu lông móng, phải sử dụng các cờ lê có chiều dài tiêu chuẩn. Đối với các bu lông móng cỡ từ M30 trở lên, cho phép dùng ống lồng vào chuôi cờ lê để tăng chiều dài phần chuôi một cách thích hợp.
B.2 Đệm căn chỉnh máy bơm
B.2.1 Khi không có quy định trong thiết kế thì đối với các loại đệm nghiêng và đệm bằng của các thiết bị thông thường có thể lựa chọn theo bảng B.2 và B.3. Sơ đồ vị trí các kích thước xem hình B.1
Bảng B.2 – Kích thước đệm nghiêng để căn máy bơm
| TT | Tên gọi | Ký hiệu | Kích thước mm | Vật liệu | |||
| l | b | c | a | ||||
| 1 | Đệm nghiêng 1 | ĐN1 | 100 | 50 | 3 | 4 | CT38 |
| 2 | Đệm nghiêng 2 | ĐN2 | 120 | 60 | 4 | 6 | |
| 3 | Đệm nghiêng 3 | ĐN3 | 140 | 70 | 4 | 8 | |
Bảng B.3 – Kích thước đệm bằng để căn máy bơm
| TT | Tên gọi | Ký hiệu | Kích thước mm | Vật liệu | |
| l | b | ||||
| 1 | Đệm bằng 1 | ĐB1 | 90 | 60 | Gang xám |
| 2 | Đệm bằng 2 | ĐB2 | 110 | 70 | |
| 3 | Đệm bằng 3 | ĐB3 | 125 | 85 | |

Hình B.1 – Sơ đồ kích thước các đệm căn chỉnh máy bơm
B.2.2 Chiều dày h của đệm dựa vào yêu cầu thực tế và vật liệu mà quyết định. Độ nghiêng của đệm nghiêng thường từ 1/10 đến 1/20. Chiều dày nhỏ nhất cho phép của đệm bằng gang xám là 20 mm; chiều dày nhỏ nhất của đệm thép là 1 mm.
B.2.3 Khi sử dụng hỗn hợp thì đệm nghiêng phải được dùng với loại đệm bằng có cùng số hiệu tức là "Đệm nghiêng 1" lắp phối hợp với "Đệm bằng 1"; "Đệm nghiêng 2" lắp phối hợp với "Đệm bằng 2"; "Đệm nghiêng 3" lắp phối hợp với "Đệm bằng 3".
B.2.4 Mặt tiếp xúc của móng máy hoặc sàn đặt máy và đệm phải bằng phẳng.
B.2.5 Trong mỗi tổ đệm, đệm nghiêng phải được đặt trên cùng, phía dưới các đệm nghiêng đơn phải đặt đệm bằng.
B.2.6 Sau khi thiết bị đã được điều chỉnh và cân bằng, cạnh của đệm phải thò ra khỏi cạnh biên của mặt chân bệ máy như sau:
a) Đối với đệm bằng: từ 10 mm đến 30 mm;
b) Đối với đệm nghiêng từ 10 mm đến 50 mm.


Hình B.2 – Sơ đồ bố trí chèn các tấm đệm căn chỉnh
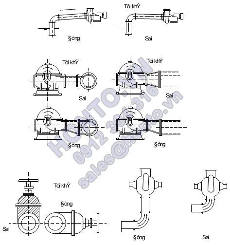
B.3 Bố trí đường ống

Hình B.3 – Sơ đồ bố trí đường ống hút để tránh tạo thành túi khí
B.4 Kiểm tra độ đồng tâm ở khớp nối

Hình B.4 – Minh hoạ phương pháp kiểm tra độ đồng tâm ở khớp nối
B.5 Các công việc kiểm nghiệm và kiểm tra chất lượng lắp đặt
Các công việc kiểm nghiệm và kiểm tra chất lượng lắp đặt phải ghi vào biên bản và phiếu kiểm tra. Các dạng kiểm nghiệm và kiểm tra được thống kê trong bảng B.4
Bảng B.4
| Các dạng kiểm nghiệm và kiểm tra trung gian được ghi vào biên bản | Các dạng kiểm nghiệm và kiểm tra được ghi vào phiếu kiểm tra |
| a) Tất cả các tổ máy bơm: |
|
| 1) Định tâm tổ máy theo các nửa khớp nối |
|
| b) Các tổ máy bơm ly tâm và hướng trục trục đứng: |
|
| 1) Các trị số khe hở giữa rôto và stato của động cơ điện. | 1) Các khe hở hướng tâm giữa trục bơm và bạc lót của các ổ định hướng và ổ chặn; |
|
| 2) Độ vuông góc của dịa thép ngõng tựa so với tim trục rôto ở ổ trục động cơ; |
|
| 3) Độ thẳng đứng của rôto động cơ; |
|
| 4) Hiệu chỉnh đường nối chung các trục tổ máy. |
| c) Các tổ máy bơm trục ngang: |
|
|
| 1) Các trị số khe hở giữa rôto và stato của động cơ điện có ổ trục kiểu bệ; |
|
| 2) Các trị số độ rôto dọc trục và độ đảo của trục bánh xe công tác; |
|
| 3) Các trị số khe hở trong các ổ trượt. |
| d) Hệ thống bôi trơn tuần hoàn: |
|
| 1) Làm vệ sinh và thử nghiệm thủy lực thùng dầu; |
|
| 2) Thử nghiệm thủy lực các ống dẫn dầu; |
|
| 3) Thử nghiệm thủy lực hệ thống làm mát dầu. |
|
| CHÚ THÍCH: Ngoài các việc kiểm nghiệm và kiểm tra nói trên nếu nhà máy chế tạo yêu cầu thì phải tiến hành kiểm nghiệm, kiểm tra thêm các hạng mục khác theo yêu cầu của nhà máy chế tạo và ghi vào phiếu kiểm tra của nhà máy. | |
B.6 Yêu cầu kỹ thuật rà cạo bạc đỡ và bạc chặn
B.6.1 Trong quá trình lắp đặt máy bơm, để đảm bảo kích thước khe hở, độ nhẵn bóng bề mặt, độ chính xác hình học của chi tiết bạc đỡ và bạc chặn cho phép dùng phương pháp rà cạo nguội.
B.6.2 Quy trình rà cạo nguội như sau:
a) Trước khi rà cạo nguội cần phải định vị bạc đỡ, bạc chặn với gối đỡ chắc chắn ở vị trí làm việc;
b) Dùng bột mầu bôi đều một lớp mỏng trên bề mặt tiếp xúc của chi tiết động hoặc chi tiết tĩnh;
c) Dùng tay đẩy tạo chuyển động giữa hai chi tiết, mở bề mặt tiếp xúc xác định vết chạm cần cạo;
d) Yêu cầu kỹ thuật quá trình cạo nguội quy định trong bảng B.5.
Bảng B.5
| Loại máy bơm | Số vòng quay r/min | Khe hở tính cho 100 mm đường kính cổ trục | Độ tiếp xúc | |||
| Khe hở đỉnh mm | Khe hở cạnh mm | Góc ôm bạc đỡ, độ | Diện tích tiếp xúc bạc chặn % | Số điểm tiếp xúc trên diện tích 25 mm x 25 mm không nhỏ hơn điểm | ||
| Bơm khe hở nhỏ | Trên 3 000 | Từ 0,07 đến 0,10 | Từ 0,05 đến 0,80 |
Từ 60 đến 80 |
80 |
10 |
| Bơm có hệ thống bôi trơn cưỡng bức | Đến 3 000 | Từ 0,12 đến 0,18 | Từ 0,06 đến 0,10 | |||
| Bơm có vòng bôi trơn | Đến 3 000 | Từ 0,15 đến 0,20 | Từ 0,10 đến 0,15 | |||
Sưu tầm và biên soạn bởi: https://donjoy.chanh.in