TCVN 8614:2010 - PHẦN 2
b) Làm lạnh thiết bị thử nghiệm bằng LNG tuần hoàn;
c) Dừng dòng tuần hoàn LNG với tốc độ mỗi lần làm mát khớp nối nhỏ hơn 10 °C/h và chu kỳ 15 min;
d) Kiểm tra độ kín của khớp nối;
Kiểm tra độ kín ở nhiệt độ làm lạnh bao gồm kiểm tra bằng máy dò đảm bảo không có bất kì sự rò rỉ nào trên toàn bộ chu vi ngoài của khớp nối, ở 4 mức áp suất trong 5 min, tương ứng 0,25 x pS, 0,5 x ps, 1 x ps và 1,15 x ps;
e) Xả nước từ thiết bị thử nghiệm làm tăng nhiệt độ môi trường;
f) Lặp lại thử nghiệm ở nhiệt độ thường phù hợp với 8.2.
CHÚ THÍCH: Áp suất tăng từ một mức đến mức tiếp theo có thể đạt được bằng việc gia nhiệt của dòng LNG bên trong thiết bị thử nghiệm.
9. Nguyên tắc chấp nhận
Một vòng đệm sẽ coi là thích hợp cho sử dụng trong khớp nối của đường ống LNG với điều kiện là các thử nghiệm độ kín nêu trong 8.2 và 8.3 có kết luận được chứng thực.
Không cần thiết tiến hành các thí nghiệm tương tự trên tất cả các vòng đệm có cùng kết cấu cơ bản, trừ kích thước.
Bảng D.1 đưa ra dải DN cho phép định tính cho mỗi DN đã thử.
Bảng E.1 đưa ra dải PN cho phép định tính cho mỗi PN đã thử.
10. Báo cáo thử nghiệm
Các kết quả thử nghiệm trên được đưa vào báo cáo thử nghiệm và phải có dữ liệu sau:
a) Tên của công ty thử nghiệm, tên và chữ ký của người thực hiện;
b) Ngày làm báo cáo;
c) Bản thông số kĩ thuật của miếng đệm;
d) Đặc tính vòng đệm được thử, áp suất danh nghĩa DN nói riêng hay NPS và loại áp suất của chúng;
e) Tải trọng bulông yêu cầu của mối nối cung cấp bởi nhà sản xuất phù hợp với chi tiết tính toán;
f) Tải trọng bulông đạt được;
g) Tính không ổn định của tải trọng bulông;
h) Điều kiện nhiệt của thử nghiệm tại nhiệt độ lạnh đặc trưng bởi nhiệt độ môi trường, nhiệt độ LNG và nhiệt độ biên trên của mặt bích;
i) Kết quả từ thử nghiệm độ kín ở nhiệt độ môi trường và nhiệt độ lạnh, biểu đồ báo cáo tình trạng của áp suất trong quá trình thử nghiệm;
j) Giá trị DN của các miếng đệm đạt yêu cầu trong quá trình thử nghiệm;
k) Các loại áp suất của vòng đệm đạt yêu cầu trong quá trình thử nghiệm.
Phụ lục A
(Tham khảo)
Tính chất cơ nhiệt của khớp nối mặt bích với miếng đệm
A.1 Ghi chú
Trong các ứng dụng làm lạnh sâu, khớp nối phải trải qua các chu trình nới lỏng xuôi chiều và đảo chiều từ quá trình xả lạnh liên tiếp. Các chu trình nới lỏng này được tính đến khi xác định tải trọng bulông tăng thêm tương thích với sức bền cơ học của các thành phần khác nhau trong khớp nối nối.
A.2 Sự nới lỏng đảo chiều
Sự nới lỏng đảo chiều xảy ra tại thời gian xả lạnh và biến mất sau mỗi lần khớp nối đã phục hồi nhiệt độ môi trường từ các nguyên nhân sau:
- Trạng thái nhiệt của bulông nóng hơn so với phần còn lại của mối nối do vị trí ngoại vi của chúng;
- Đặc tính nhiệt của bulông mỗi khi các bulông được gắn trong vật liệu này một hệ số giãn nở nhiệt thấp hơn so với vật liệu mặt bích.
GHI CHÚ: Trong trường hợp của các mối nối chịu lạnh sâu, thép X8Ni9 thường sử dụng cho chế tạo bulông, trong khi vật liệu mặt bích chủ yếu là thép X4CrNi18-10. Lưu ý đến hệ số giãn nở nhiệt tương ứng của chúng (13,8x10-6K-1 đối với thép X4CrNi18-10 và 9,4x10-6K-1 đối với thép X8Ni9), xả lạnh gây ra lực nén giảm trên miếng đệm.
Cả hai hiện tượng đều sinh ra độ co vi sai giữa mặt bích và các bulông, và gây ra nới lỏng mà có thể xác định theo lý thuyết qua phép tính dựa trên phương pháp phân tử hữu hạn.
A.3. Sự nới lỏng xuôi chiều
Theo sau chu kỳ làm nóng và làm lạnh, áp lực lên bulông được nới lỏng cục bộ. Sự nới lỏng xuôi chiều có giá trị sau chu kỳ làm nóng và làm lạnh đầu tiên, suy giảm trong 4 chu kỳ kế tiếp và trở nên không đáng kể sau đó.
Các kết quả quá trình nới lỏng bất nghịch từ một biến đổi ở vị trí tương đối của thành phần mối nối, và cụ thể hơn của bulông trong tương quan với các mặt bích. Nó không bị ảnh hưởng bởi áp suất LNG hoặc mức độ xả lạnh.
A.4 Tiến triển của sức căng trong chu kỳ làm nóng và làm lạnh nối tiếp
Hình A.1 biểu diễn sự thay đổi trong ứng suất nén trung bình của miếng đệm trong thời gian 5 chu kỳ làm nóng và làm lạnh đầu tiên.
A Sức căng ban đầu
BD Xả lạnh
TA - TE Nới lỏng xuôi chiều
TE - TC Nới lỏng đảo chiều

Hình A.1 - Sự thay đổi trong ứng suất nén trung bình của miếng đệm trong thời gian các chu kỳ làm nóng và làm lạnh nối tiếp
Phụ lục B
(Tham khảo)
Thiết bị thử nghiệm
Kính thước tính bằng milimet

CHÚ DẪN:
- Vòng đệm thử nghiệm
- Đường cấp LNG tới thiết bị thử nghiệm
- Thiết bị điều áp N
- Thiết bị đo nhiệt độ và áp suất
- Van xả
- Bình LNG
- Vị trí đo nhiệt độ tại biên trên mặt bích
- Vị trí đo nhiệt độ môi trường
Hình B.1 - Sơ đồ thiết bị thử nghiệm
Phụ lục C
(Quy định)
Phương pháp kiểm tra xác nhận phụ tải bulông
C.1 Đo độ dài bulông
Hai lỗ định tâm được khoan như đã xác định trong Hình C.1, tại mỗi điểm cuối của bulông dùng một vi kế chính xác để đo độ dài của chúng.
C.2 Đo độ căng bulông
Độ dài DLi của bulông mẫu i được biểu thị như sau:
DLi = Lfi - Loi
trong đó:
Lfi là độ dài sau khi vặn chặt bulông mẫu i;
Loi là độ dài ban đầu trước khi vặn chặt bulông mẫu i;
C.3 Cách tính phụ tải bulông đạt được với mỗi bulông
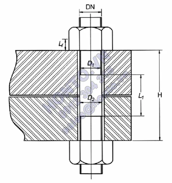
Phụ tải bulông đạt được với mỗi bulông sẽ được tính bằng cách xét đến kích thước thành phần bulông siết chặt như đã xác định trong Hình C.2.
Phụ tải bulông đạt được Fsi của bulông mẫu i có biểu thức sau:
Fsi = K x DLi
trong đó:
K là độ cứng của ống chốt.
Độ cứng K của ống chốt sẽ được tính như sau:
trong đó:
K1 là độ cứng của đoạn chốt chưa ren răng;
K2 là độ cứng của đoạn chốt có ren.
Độ cứng K1 của ống chốt có biểu thức sau:
trong đó:
E là môđun đàn hồi của vật liệu bulông;
S1 là diện tích của đoạn chốt chưa ren (đường kính D1);
L1 là độ dài của đoạn chốt chưa ren.
Độ cứng K2 của ống chốt có biểu thức sau:
trong đó:
S2 là diện tích của đoạn chốt có ren (đường kính D2);
L2 là độ dài của đoạn chốt có ren.
Độ dài hiệu dụng của đoạn chốt có ren được biểu thị như sau:
L2 = H - L1 + 2 x Lf
trong đó:
H là độ cao đống của mặt bích;
Lf là độ dài hiệu dụng của mỗi đai ốc chở phụ tải bulông.
CHÚ THÍCH: Độ dài hiệu dụng khuyến nghị Lf tương ứng một nửa độ cao chốt ốc.
C.4 Cách tính nguyên tắc chấp nhận của phụ tải bulông
Chênh lệch tương đối giữa phụ tải bulông đạt được và phụ tải bulông yêu cầu của mỗi bulông có biểu thức sau:

CHÚ DẪN:
- Bulông cần đo;
- Vi kế;
- Lỗ định tâm.
Hình C.1 - Đo độ dài của bulông

Hình C.2 - Kích thước của khớp nối kín để tính tải trọng bulông
Phụ lục D
(Quy định)
Đường kính danh nghĩa (DN) tương đương cho thử nghiệm
Bảng D.1 - Bảng DN tương đương cho thử nghiệm
| DN thử nghiệm | NPS thử nghiệm | DN của vòng đệm đạt chuẩn | DN thử nghiệm | NPS thử nghiệm | DN của vòng đệm đạt chuẩn |
| 10 | ¼ | 10 15 20 | 250 | 10 | 200 250 300 350 |
| 15 | ½ | 10 15 20 25 | 300 | 12 | 250 300 350 400 |
| 20 | ¾ | 15 20 25 32 | 350 | 14 | 300 350 400 450 |
| 25 | 1 | 20 25 32 40 | 400 | 16 | 350 400 450 500 |
| 32 | 1¼ | 25 32 40 50 | 450 | 18 | 400 450 500 600 |
| 40 | 1½ | 32 40 50 80 | 500 | 20 | 450 500 600 700 |
| 50 | 2 | 40 50 80 100 | 600 | 24 | 500 600 700 750 |
| 80 | 3 | 50 80 100 125 | 700 | 28 | 600 700 750 800 |
| 100 | 4 | 80 100 125 150 | 750 | 30 | 700 750 800 900 |
| 125 | 5 | 100 125 150 200 | 800 | 32 | 750 800 900 100 |
| 150 | 6 | 125 150 200 250 | 900 | 36 | 800 900 1000 |
| 200 | 8 | 150 200 250 300 | 1000 | 42 | 900 1000 |
| CHÚ THÍCH 1: Nếu DN của vòng đệm đã thử là 50 thì tất cả các vòng đệm hiện tại cùng một thiết kế chung từ DN thứ 40 đến DN thứ 100 đều là đạt chuẩn.CHÚ THÍCH 2: Phụ tải bulông yêu cầu Fa của vòng đệm đã thử là đại diện duy nhất của kiểm tra DN và PN. | |||||
Phụ lục E
(Quy định)
Áp suất danh nghĩa (PN) tương đương cho thử nghiệm
Bảng E.1 - Bảng PN tương đương cho thử nghiệm
| Loại thử nghiệm | PN thử nghiệm | PN của vòng đệm đạt chuẩn |
| 600 | 100 | 100 63 |
| 63 | 100 63 40 | |
| 300 | 63 40 25 | |
| 40 | 63 40 25 16 | |
| 25 | 40 25 16 | |
| 150 | 40 25 16 | |
| 16 | 25 16 | |
| CHÚ THÍCH 1: Nếu PN của vòng đệm đã thử là 63 thì tất cả các vòng đệm hiện tại cùng một thiết kế chung từ PN thứ 40 đến PN thứ 100 đều là đạt chuẩnCHÚ THÍCH 2: Phụ tải bulông yêu cầu Fa của vòng đệm đã thử là đại diện duy nhất của kiểm tra DN và PN. | ||
MỤC LỤC
Lời nói đầu
1 Phạm vi áp dụng
2 Tài liệu viện dẫn
3 Thuật ngữ, định nghĩa và ký hiệu viết tắt
4 Yêu cầu thiết kế của vòng đệm được thử nghiệm
5 Tài liệu kĩ thuật của nhà sản xuất vòng đệm
6 Kiểm tra tính tương thích giữa tải trọng bulông và sức bền cơ học của thành phần mối nối
6.1 Tính tương thích với mặt bích
6.2 Tính tương thích với bulông
7 Phương tiện và trang thiết bị yêu cầu cho thử nghiệm
7.1 Thiết bị thử nghiệm
7.2 Thiết bị đo
8 Kiểm nghiệm
8.1 Ứng dụng của tải trọng bulông
8.2 Thử kín
8.3 Thử kín ở nhiệt độ lạnh
9 Nguyên tắc chấp nhận
10 Báo cáo thử nghiệm
Phụ lục A (Tham khảo)
Phụ lục B (Tham khảo)
Phụ lục C (Quy định)
Phụ lục D (Quy định)
Phụ lục E (Quy định)
Xem tiếp: TCVN 9881:2013 - PHẦN 1
Xem lại: TCVN 8614:2010 - PHẦN 1
Sưu tầm và biên soạn bởi: https://donjoy.chanh.in