TCVN 9881:2013 - PHẦN 1
TIÊU CHUẨN QUỐC GIA
TCVN 9881:2013
ASTM G8:1996 (Reapproved 2010)
SƠN VÀ LỚP PHỦ BẢO VỆ KIM LOẠI - XÁC ĐỊNH ĐẶC TÍNH CỦA LỚP PHỦ ĐƯỜNG ỐNG BẰNG PHƯƠNG PHÁP BÓC TÁCH CATỐT
Paint and Coating for Metal Protection - Test Methods for Cathodic Disbonding of Coating
Lời nói đầu
TCVN 9881:2013 được xây dựng trên cơ sở chấp nhận hoàn toàn tương đương với ASTM G8:1996 (Reapproved 2010) Standard test method for cathodic disbonding of pipeline coating.
TCVN 9881:2013 do Viện Khoa học và Công nghệ Giao thông Vận tải biên soạn, Bộ Giao thông Vận tải đề nghị, Tổng cục Tiêu chuẩn đo lường thẩm định, Bộ Khoa học và Công nghệ công bố.
SƠN VÀ LỚP PHỦ BẢO VỆ KIM LOẠI - XÁC ĐỊNH ĐẶC TÍNH CỦA LỚP PHỦ ĐƯỜNG ỐNG BẰNG PHƯƠNG PHÁP BÓC TÁCH CATOT
Paints and Coating for Metal Protection - Test Methods for Cathodic Dis bonding of Coating
1. Phạm vi áp dụng
1.1. Tiêu chuẩn này bao gồm các quy trình gia tốc xác định các đặc tính của lớp phủ trên mặt ngoài ống thép đặt ngầm dưới đất, nhằm điều đích ngăn chặn hoặc giảm thiểu sự ăn mòn có thể xảy ra khi ống thép tiếp xúc với độ ẩm có hoặc không có hệ thống bảo vệ catot. Các quy trình này được áp dụng với các mẫu sản phẩm ống thép thương mại đã được sơn phủ và có thể dùng với các ống thép có lớp phủ đóng vai trò như màng cách điện.
1.2. Tiêu chuẩn này dùng để kiểm tra lớp phủ nhúng hoặc ngâm trong dung dịch thử nghiệm ở nhiệt độ thường. Trong trường hợp không thể ngâm hoặc nhúng mẫu thử thì có thể sử dụng phương pháp thử nghiệm ASTM G95, trong đó bình thử được gắn vào bề mặt của mẫu ống đã sơn phủ. Trong trường hợp cần thử nghiệm ở nhiệt độ cao thì có thể áp dụng phương pháp ASTM G42. Trường hợp yêu cầu phương pháp kiểm tra đặc biệt thì có thể sử dụng ASTM G80.
1.3. Trong tiêu chuẩn này sử dụng đơn vị đo lường hệ SI với độ chính xác tới 3 chữ số thập phân, các giá trị ghi trong dấu ngoặc đơn chỉ nhằm cung cấp thông tin.
1.4. Tiêu chuẩn này không nêu ra các quy định về an toàn trong khi sử dụng. Trách nhiệm của người áp dụng là phải sưu tầm các quy tắc về an toàn, vệ sinh thích hợp và định ra giới hạn áp dụng các quy tắc an toàn đó.
2. Tài liệu tham khảo
Các tài liệu tham khảo sau đây là cần thiết cho việc áp dụng tiêu chuẩn. Đối với các tài liệu ghi năm công bố thì áp dụng bản này. Đối với tài liệu không ghi năm công bố thì áp dụng phiên bản mới nhất, bao gồm cả các sửa đổi.
TCVN 2117:2009 (ASTM D 1193-06), Nước thuốc thử - Yêu cầu kỹ thuật.
ASTM D 609, Standard Practice for Preparation of Cold Rolled Steel Panels for Testing Paint, Varnish, Conversion Coatings and Related Coating Products (Tiêu chuẩn thực hành về chuẩn bị các tấm mẫu thử từ thép cán nguội để kiểm tra lớp sơn, vecni, các lớp trung gian và các sản phẩm lớp phủ liên quan).
ASTM E 70-70, Standard Test Method for pH of Aqueous Solutions with the Glass Electrode (Phương pháp xác định độ pH trong dung dịch lỏng với điện cực thủy tinh).
ASTM B 368, Standard Test Method for Copper Accelerated Acetic Acid Salt Spray (Fog) Testing (Cass test) (Phương pháp kiểm tra mù muối trong dung dịch muối axit axetic đồng).
ASTM G 85, Standard Practice For Modified Salt Spray (Fog) Testing (Thử nghiệm phun mù muối sửa đổi).
ASTM G12, Standard Test Method for Nondestructive measurement for film Thickness of pipeline coatings on Steel (Phương pháp đánh giá không phá hủy xác định chiều dày màng phủ của ống dẫn thép.
ASTM G42, Standard Test Method for Cathodic Disbonding of Pipeline Coatings Subjected to Elevated Temperatures (Phương pháp kiểm tra bóc tách catốt các lớp phủ đường ống thép vận hành ở nhiệt độ cao)
ASTM G80, Standard Test Method for Specific Cathodic Disbonding of Pipeline Coatings (Phương pháp kiểm tra bóc tách catốt đặc biệt cho các lớp phủ đường ống thép).
ASTM G95, Standard Test Method for Cathodic Disbondment Test of Pipeline Coatings (Attached Cell Method) (Phương pháp kiểm tra bóc tách catốt các lớp phủ đường ống thép - Phương pháp bình điện hóa).
3. Nguyên lý
3.1. Trong tiêu chuẩn này mô tả hai phương pháp A và B để kiểm tra lớp phủ trên ống thép. Trong cả hai phương pháp, lớp phủ chịu một điện áp, đặt trong dung dịch điện ly kiềm có độ dẫn điện cao. Điện áp tạo ra bằng phương pháp dùng anot hy sinh magie hoặc bằng dòng điện ngoài đưa vào. Lớp phủ được khoan thủng trước khi bắt đầu kiểm tra.
3.2. Trong phương pháp A, sử dụng điện cực anot magie và không theo dõi dòng điện trong suốt quá trình kiểm tra. Xác định kết quả theo phương pháp kiểm tra vật lý sau khi kết thúc chu kỳ thử nghiệm.
3.3. Trong phương pháp B, sử dụng hoặc điện cực anot magie hoặc hệ thống dòng điện ngoài. Dùng dụng cụ điện để đo dòng điện và điện thế trong mạch của bình đo. Kiểm tra vật lý mẫu thử sau khi kết thúc chu kỳ thử nghiệm.
3.4. Đối với cả hai phương pháp, việc kiểm tra tính chất vật lý được tiến hành bằng cách so sánh độ lan rộng của diện tích bị phồng rộp hoặc bị bong ra của màng phủ tại các vị trí lỗ khoan trong vùng diện tích mẫu bị nhúng ngập, so với diện tích bị phòng rộp hoặc bị bong ra tại lỗ khoan mới trong vùng diện tích không bị nhúng ngập.
4. Ý nghĩa và sử dụng
4.1. Sau khi lắp đặt trong đất, các vết nứt hoặc các vị trí không được phủ (lỗ hở) trong lớp phủ có thể gây ăn mòn cho ống thép do tồn tại dung dịch điện ly quanh ống và sự hư hỏng màng phủ của ống dẫn hầu như không thể tránh khỏi trong quá trình vận chuyển, lắp đặt. Điện thế thông thường của đất cũng như điện thế bảo vệ catot có thể làm bong lớp phủ, bắt đầu từ mép của lỗ hở trong lớp phủ, trong một số trường hợp làm tăng kích thước của lỗ hở. Các điện thế nói trên cũng có thể làm xuất hiện lỗ hở trên lớp phủ hay sự phồng rộp màng phủ, nhưng có thể không gây nên ăn mòn mà chỉ làm tăng tốc cho sự bong tróc xảy ra và từ đó đưa ra cách đánh giá độ bền của lớp phủ dưới tác động của ứng suất điện.
4.2. Kết quả của phép thử được đánh giá bằng phương pháp kiểm tra vật lý hoặc theo dõi sự biến thiên dòng điện, hoặc bằng cả hai phương pháp trên. Thường không tồn tại mối tương quan giữa hai phương pháp đánh giá nhưng cả hai đều hữu ích. Kiểm tra vật lý bao gồm đánh giá sự tiếp xúc hiệu quả của lớp phủ với bề mặt kim loại thông qua sự sai khác tương đối của độ bền liên kết bám dính. Thông thường diện tích vùng chịu ứng suất điện sẽ lan từ vị trí lỗ hở tới biên - nơi lớp màng phủ có liên kết yếu bị bong ra để đạt được liên kết hiệu quả. Các giả định liên quan tới kết quả thí nghiệm bao gồm:
4.2.1. Trước khi thử nghiệm bóc tách mẫu thử bằng phương pháp "lột" (bằng băng keo) tại vị trí lỗ khoan trong màng phủ ở điều diện tích không bị nhúng ngập. Kết quả được coi là độ bền bám dính tối đa của lớp phủ với ống thép. Thực hiện tương tự tại lỗ khoan ở điều diện tích bị nhúng ngập. Từ đó có thể so sánh tương đối độ bền bóc tách theo phương pháp "lột".
4.2.2. Bất kỳ diện tích nào có liên kết yếu tại vị trí lỗ khoan trong màng phủ của mẫu thử ở điều bị nhúng ngập là do ứng suất điện tạo ra mà không thể quy cho các yếu tố khác trong khi sử dụng. Khả năng bền bóc tách là tính chất cần thiết làm cơ sở so sánh, nhưng sự bong màng phủ trong thí nghiệm này có thể là chỉ thị ngược.
Ưu điểm của phương pháp thử nghiệm này là tất cả các loại màng phủ có tính chất điện môi phổ biến hiện nay điều bị bong tróc với một mức độ nào đó. Điều này cung cấp cho ta phương pháp so sánh lớp phủ này với lớp phủ khác. Đối với một số lớp phủ, độ bền liên kết là đặc tính quan trọng hơn các tính chất khác. Tuy nhiên với một mức độ bong tróc tương đương của hai lớp phủ khác nhau, sự suy giảm về khả năng bảo vệ ăn mòn có thể không như nhau.
4.2.3. Độ lớn của dòng điện trong mạch tỷ lệ với mức độ lan rộng diện tích cần được bảo vệ khỏi ăn mòn. Tuy nhiên, mật độ dòng điện xuất hiện trong thí nghiệm này lớn hơn nhiều so với mật độ dòng thường dùng để bảo vệ catot trong tự nhiên nói chung cũng như trong môi trường đất.

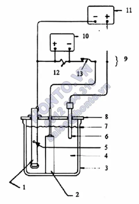
CHÚ DẪN:
1 Điều cuối mẫu được bịt kín
2 Dung dịch điện ly
3 Bình thử nghiệm
4 Anot magie
5 Lỗ khoan
6 Điều nối với anot được bọc kín khi chế tạo
7 Nắp cách điện
8 Điện cực so sánh
9 Dây dẫn
10 Vôn kế điện trở cao
11 Mối nối dạng bu lông
12 Dây dẫn nối với mẫu
13 Mẫu được giữ bởi chốt xuyên qua lỗ ở điều đầu mẫu không bị nhúng ngập
CHÚ THÍCH: Các lỗ thử tạo ra ở vùng bề mặt không bị nhúng ngập sau khi thử nghiệm không được thể hiện trên hình này (xem Hình 5).
Hình 1 - Sơ đồ lắp ráp thử nghiệm theo phương pháp A sử dụng anot magie
5. Thiết bị, dụng cụ
5.1. Thiết bị sử dụng cho cả hai phương pháp:
5.1.1. Bình thử nghiệm nên làm bằng vật liệu cách điện hoặc bằng kim loại tráng vật liệu cách điện. Sự sắp xếp trong bình thử cần thỏa mãn các yêu cầu sau:
5.1.1.1. Mẫu được treo thẳng đứng trong bình thử nghiệm, cách đáy bình ít nhất là 25,4 mm.
5.1.1.2. Mỗi mẫu thử nghiệm cách mẫu khác, cách anot và cách thành bình ít nhất là 38,1 mm.
5.1.1.3. Chiều sâu của dung dịch điện ly phải đủ để nhúng ngập chiều dài thử nghiệm cần thiết của mẫu theo yêu cầu ở Điều 7.4.
5.1.1.4. Nếu dòng điện được đo theo phương pháp B, điện cực so sánh có thể được đặt ở bất kỳ vị trí nào trong bình thử nghiệm miễn là nó cách mẫu, cách anot và cách thành bình không nhỏ hơn 38,1mm.
5.1.2. Điện cực anot làm từ hợp kim magie có thể điện cực trong khoảng -1,45V ÷ -1,55V so với điện cực so sánh Cu/CuSO4 trong dung dịch điện ly (điều 6.1). Diện tích bề mặt anot không nhỏ hơn 1/3 tổng diện tích mẫu thí nghiệm (điều diện tích mặt ngoài) nhúng trong chất điện ly. Anot được chế tạo kết nối sẵn với dây dẫn bằng đồng được bọc cách điện, tiết diện tối thiểu 2mm². Có thể sử dụng anot chưa kết nối dây đồng nếu điện cực Mg dài vượt quá nắp bình.
5.1.3. Bộ kết nối: Dây dẫn nối từ anot đến mẫu thử nên là dây bằng đồng, tiết diện tối thiểu 2mm², được bọc cách điện. Việc gá lắp mẫu hoặc bằng cách hàn bắt vít, hàn chết hoặc bắt bulông vào điều cuối mẫu (điều không bị ngập), các vị trí gá lắp phải được phủ bằng vật liệu cách điện. Cho phép có mối nối trong dây kết nối nhưng nó phải được bắt bu lông hoặc kẹp cơ học.

CHÚ DẪN:
1 Mẫu thử
2 Anot magie
3 Bình thử nghiệm
4 Dung dịch điện ly
5 Lỗ khoan
6 Điện cực so sánh
7 Vạch nhúng
8 Nắp cách điện
9 Bảng điện
10 Vôn kế điện trở cao hoặc thiết bị đo điện thế
11 Vôn kế điện trở cao
12 Điện trở 1
13 Kẹp cá sấu hoặc cầu dao
Hình 2 - Sơ đồ lắp ráp thiết bị thử nghiệm theo phương pháp B, sử dụng anot magie
5.1.4. Dụng cụ tạo lỗ hở: Các lỗ hở được tạo bằng cách khoan thông thường, đường kính lỗ khoan tùy theo yêu cầu. Đối với các mẫu ống có đường kính nhỏ, ví dụ 19,05mm, cần sử dụng mũi khoan đã mài phẳng đầu côn nhọn để tránh đục thủng vỏ thép của ống dẫn. Sử dụng dao mỏng có đầu nhọn và có tay cầm an toàn để kiểm tra tính chất vật lý của mẫu.
5.1.5. Vôn kế điện trở cao: để đo dòng điện một chiều, có giá trị điện trở trong không nhỏ hơn 10M và dải đo từ 0,01 V đến 5 V để đo điện thế so với điện cực so sánh.
5.1.6. Điện cực so sánh: dùng điện cực bão hòa Cu/CuSO4 đựng trong ống thủy tinh hoặc ống nhựa thông thường với nắp xốp, đường kính ống không quá 19,05 mm, thế điện cực -0,316 V so với điện cực so sánh hydro tiêu chuẩn. Có thể sử dụng điện cực calomel, nhưng cần chuyển đổi về điện cực so sánh Cu/CuSO4 bằng cách cộng vào giá trị điện thế đo được thêm -0,072V khi viết vào báo cáo.
5.1.7. Thước đo chiều dày Gage: để đo độ dày màng phủ theo tiêu chuẩn ASTM G12.
5.1.8. Nhiệt kế: để đo nhiệt kế chất điện ly, là loại dùng trong phòng thí nghiệm thông thường, có độ chia 1 °C, được nhúng ngập 76,2 mm.
5.2. Các thiết bị bổ sung cho phương pháp B
5.2.1. Vôn kế điện trở cao: để đo dòng một chiều, có điện trở trong không nhỏ hơn 10M và có khả năng đo được điện thế thấp nhất đến 10 mV trong mạch nhánh (mạch mắc sơn) của mạch thử nghiệm.
5.2.2. Điện trở dây quấn chính xác 1± 1%, 1W (nhỏ nhất): sử dụng trong mạch nhánh của mạch thử nghiệm.
5.2.3. Thiết bị đo điện thế - điện trở: để kiểm tra điện trở biểu kiến ban đầu của màng phủ.
5.2.4. Điện cực kim loại: sử dụng tạm thời với thiết bị đo điện thế - điện trở, để xác định tình trạng lỗ hở ban đầu của mẫu thử.
5.2.5. Dây nối phụ: dây dẫn bằng đồng được bọc cách điện, tiết diện tối thiểu 2mm².
5.2.6. Thanh đồng thau: sử dụng trong bảng điện, kết hợp với kẹp cá sấu và cầu dao để đóng ngắt mạch điện.
5.2.7. Ampe kế: có khả năng đo dòng một chiều nhỏ đến 10 mA, có thể dùng được trong phương pháp khác ở điều 9.1.3 và thay cho thiết bị được mô tả trong điều 5.2.1 và 5.2.2.
5.2.8. Bộ chỉnh lưu một chiều: có khả năng cung cấp điện thế ổn định là 1,5V ± 0.01V, tương ứng với điện thế giữa mẫu thí nghiệm và điện cực so sánh.
5.2.9. Anot dùng dòng ngoài: dùng loại không tiêu hao, được cung cấp cùng với dây đồng cách điện, chế tạo sẵn tại nhà máy.
5.2.10. Thiết bị chia áp (chỉnh lưu): biến trở loại 100, 25W, được sử dụng nếu số mẫu đo nhiều hơn 1 và được thử nghiệm theo Hình 4.

CHÚ DẪN:
1 Mẫu thử
2 Anot
3 Bình thử nghiệm
4 Dung dịch điện phân
5 Lỗ khoan
6 Điện cực so sánh
7 Vạch nhúng
8 Nắp cách điện
9 Bảng điện
10 Vôn kế điện trở cao hoặc thiết bị đo điện thế
11 Vôn kế điện trở cao
12 Điện trở
13 Kẹp cá sấu hoặc cầu dao
14 Bộ chỉnh lưu
Hình 3 - Sơ đồ lắp ráp kiểm tra theo phương pháp B sử dụng dòng ngoài với một mẫu thí nghiệm

CHÚ DẪN:
1 Điện cực so sánh
2 Anot cho dòng ngoài áp vào
3 Thiết bị chia điện áp 100; 25 W
4 Chỉnh lưu
5 Cách điện trở 1 độ chính xác ± 1%
6 Mẫu thử
Hình 4 - Sơ đồ theo phương pháp B sử dụng dòng ngoài với nhiều số mẫu thử > 1
Xem tiếp: TCVN 9881:2013 - PHẦN 2
Xem lại: TCVN 8614:2010 - PHẦN 2
Sưu tầm và biên soạn bởi: https://donjoy.chanh.in